Postingan

Menampilkan postingan dari Desember, 2022

[36+] Book Citroen Jumper 2007 , Citroën Jumper

Gambar
manual book citroen jumper 2007 pdf 2005 citroen jumper i service and repair manual Ausbau jumpy masse angaben. Citroen jumpy spacetourer instruction. Citroen jumper (2016 year). manual manual book citroen jumper 2007 pdf Download PDF If you are searching about 2010 Peugeot Boxer - Kezelési útmutató (in Hungarian) - PDF Kézikönyv you've visit to the right place. We have 10 Images about 2010 Peugeot Boxer - Kezelési útmutató (in Hungarian) - PDF Kézikönyv like 2005 CITROEN JUMPER I SERVICE AND REPAIR MANUAL - Tradebit, Citroen Jumper (2016 year). Manual - part 1 and also 2005 CITROEN JUMPER I SERVICE AND REPAIR MANUAL - Tradebit. Here it is: 2010 Peugeot Boxer - Kezelési útmutató (in Hungarian) - PDF Kézikönyv carmanuals2.com 2005 CITROEN JUMPER I SERVICE AND REPAIR MANUAL - Tradebit www.trad...

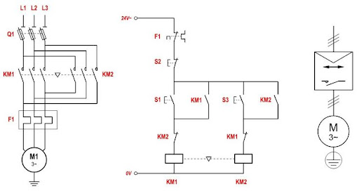
[16+] Schema De Moteur Asynchrone Triphase, Cablage Moteur Asynchrone Triphase

Gambar
Schéma De Cablage Moteur Asynchrone Triphasé Démarrage Des Moteurs Asynchrone Triphasés En 2020 Cablage moteur asynchrone triphase. Télécharger gratuitement câbles de base des moteurs asynchrones.pdf. Qcm moteur asynchrone n°1 avec correction schéma de cablage moteur asynchrone triphasé Download PDF Démarrage des moteurs asynchrone triphasés en 2020 Démarrage des moteurs asynchrone triphasés . Démarrage des moteurs asynchrone triphasés en 2020. Schémas de demarrage des moteurs asynchrones triphases. Démarrage des moteurs asynchrone triphasés Cablage Moteur Asynchrone Triphase Le moteur asynchrone triphasé ...

[5+] Kawasaki Mule 600 Wiring Diagram, Kawasaki Mule 550 Wiring Diagram / Diagram Mighty Mule 500 Wiring

Gambar
Kawasaki Mule 600 Wiring Diagram B81 Patentimages 20 unique kawasaki ex500 wiring diagram. Kawasaki mule parts diagram. Kawasaki 610 mule wiring diagram kawasaki mule 600 wiring diagram Download PDF Kawasaki mule parts diagram Kawasaki mule 610 wiring diagram . Kawasaki mule 610 electrical wiring / kawasaki mule 550 wiring diagram. Kawasaki mule 610 electrical wiring. Kawasaki mule parts diagram Wiring Diagram Kawasaki Bayou 220 - Kawasaki Atv 2000 Oem Parts Diagram kawasaki mule 3010 wiring diagram - Wiring Diagram 2007 Kawasaki Mule 3010 Wiring Schematic - Wiring Diagram ...